一. 优势:
1. 长寿命
2. 耐腐蚀
3. 低噪音
4. 免维护
5. 体积小
6. 无油润滑
7. 无泄漏
8. 高效率
9. 无刷电机
二. 接管建议 :
200:内径(ID)1.5mm 外径(OD)3mm
300:内径(ID)2.5mm 外径(OD)4mm
350:内径(ID)4mm 外径(OD)6mm
400:内径(ID)4mm 外径(OD)6mm
750:内径(ID)4mm 外径(OD)6mm
800: 内径(ID)4mm 外径(OD)6mm
850: 内径(ID)4mm 外径(OD)6mm
三.材料:
泵头: PPS 膜片: EPDM 阀片: EPDM
四.应用
1. 医疗诊断分析仪器
2. 排放测量
3. 印刷
4. 安保
5. 便携设备
五.技术参数
型号Model | HC G5440DCB-10L |
电压voltage(DCV) | 12V 24V |
空载量 Gas flow(l/min) | 10 |
真空度vacuum( kpa) | 75 |
压力pressure(MPa) | 0.25 |
噪音noise(dB) | 55 |
重量Weight(kg) | 0.35 |
寿命life (h) | 10000 |
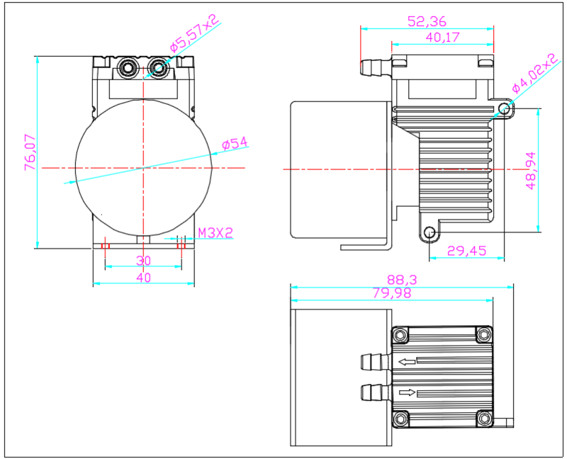
尺寸Size(mm) | 88.3*Φ54*76.07 |
引线功能Lead function | 1.红线:正极 2.黑线:负极 3.蓝线:0-5V调速 4.黄线:方波线 |
六.产品尺寸示意图
